Mercury 25 Hp Carburetor Diagram

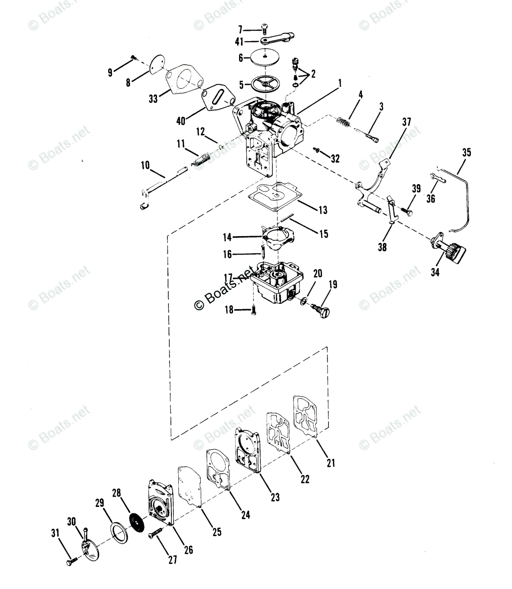
Mercury 25hp 2 Stroke Carb Diagram. [DIAGRAM] 2 Stroke Carb Diagram Re: 25hp 2 stroke merc, Carb adjustment If it has sat up for a few years your carbs are gummed up and a carb cleaning is in order Buy OEM Parts for Mercury Outboard 25HP Carburetor - 25 Diagram

Mercury 25 Hp Carburetor Diagram Wiring Site Resource
Mercury 25 Hp Carburetor Diagram Wiring Site Resource from wiringdatabaseinfo.blogspot.com

Re: 25hp 2 stroke merc, Carb adjustment If it has sat up for a few years your carbs are gummed up and a carb cleaning is in order Also for: 30 series, 30eh, 30e, 25m, 30m, 25 2-stroke, 30 2-stroke.

Mercury 25 Hp Carburetor Diagram Wiring Site Resource

Lookup Mercury Marine 25 hp (2 cyl.) outboard motor parts by serial number range and buy discount parts from our large online inventory. Make sure the fuel lines and primer bulb are okay as well, they don't like varnish.

While your at it this winter replace the waterpump and tstat, then enjoy the motor all spring/summer/fall long.

Good luck MarineEngine.com 184 Jones Drive Brandon, VT 05733 USA (800) 209-9624 (802) 247-4700 (802) 419-3055 Fax

Unlock the Secrets of the Mercury 25 HP 2 Stroke Carburetor Diagram. Lookup Mercury Marine 25 hp (2 cyl.) outboard motor parts by component and buy discount parts from our large online inventory. The is the reassembly of the carb from PT1 on a Mercury Marine 25 HP EH Jet Drive 2 strokeWhat you need to know about the gasket!!!Carb Rebuild kit https://s.

Mercury 25 Hp Carburetor Diagram General Wiring Diagram. Buy OEM Parts for Mercury Outboard 25HP CARBURETOR Diagram Buy OEM Parts for Mercury Outboard 25HP Carburetor Assembly (Merc 25) Diagram